Gestängeleuchte TANEO TND 700/940/D - 12 W / 700 lm
Die TANEO kann man in einem Satz beschreiben "ALLROUNDTALENT ZUM ARBEITEN MIT OPTIMALEM LICHT". Sie schafft optimale Arbeitsbedingungen in der Fertigung, Montage und Qualitätsicherung.
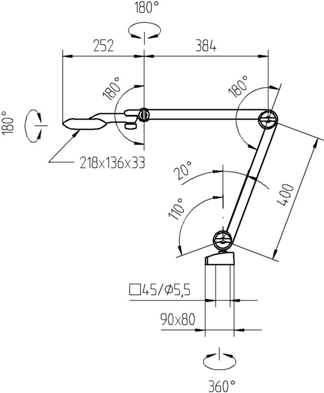
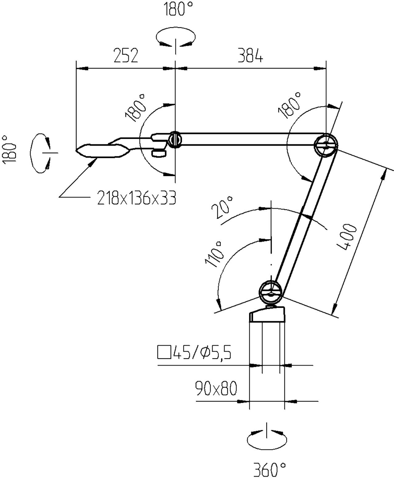
Gestängeleuchten sorgen in Maschinen, Werkstätten, Laboren und an Montagearbeitsplätzen für eine großflächige, helle und vor allem präzise einstellbare Beleuchtung.
• Bestückung: LED
• Betriebsgerät: Elektronischer Transformator
• Anschlusswerte: 100-240 V; 50/60 Hz
• Leistungsaufnahme: ca. 12 W
• Leuchtenlichtstrom: 700 lm
• Leuchtenlichtausbeute: 58 lm/W
• Lichtfarbe: Neutralweiß, ca. 4000 K
• Farbwiedergabe (Ra): >= 90
• Farbtoleranz: 3 SDCM
• Schutzart: IP 20
• Schutzklasse: II mit Steckernetzteil; III ohne Steckernetzteil
• Bedienung: Multifunktionstaster
• Leuchtengehäuse
• Farbe: Aluminiumfarben (farblos eloxiert)
• Lampenabdeckung: Kunststoff, Strukturiert
• Leuchtengestänge
• Farbe: Silbermetallic
• Gewicht (netto): ca. 2.0 kg
• Netzanschlussleitung: 3.00 m Netzstecker BS 1363, CEE 7/XVI, NEMA 5-15P
• Befestigung: Tischfuß
Gestängeleuchten sorgen in Maschinen, Werkstätten, Laboren und an Montagearbeitsplätzen für eine großflächige, helle und vor allem präzise einstellbare Beleuchtung.
• Bestückung: LED
• Betriebsgerät: Elektronischer Transformator
• Anschlusswerte: 100-240 V; 50/60 Hz
• Leistungsaufnahme: ca. 12 W
• Leuchtenlichtstrom: 700 lm
• Leuchtenlichtausbeute: 58 lm/W
• Lichtfarbe: Neutralweiß, ca. 4000 K
• Farbwiedergabe (Ra): >= 90
• Farbtoleranz: 3 SDCM
• Schutzart: IP 20
• Schutzklasse: II mit Steckernetzteil; III ohne Steckernetzteil
• Bedienung: Multifunktionstaster
• Leuchtengehäuse
• Farbe: Aluminiumfarben (farblos eloxiert)
• Lampenabdeckung: Kunststoff, Strukturiert
• Leuchtengestänge
• Farbe: Silbermetallic
• Gewicht (netto): ca. 2.0 kg
• Netzanschlussleitung: 3.00 m Netzstecker BS 1363, CEE 7/XVI, NEMA 5-15P
• Befestigung: Tischfuß
| Artikel-Nr. | WL73521 |
| Hersteller | WALDMANN |
| Hersteller-Artikel-Nr. | 113734000-00809715 |
| Verkaufseinheit | 1 Stück |
| Inhaltseinheit | 1 Stück |
| Farbe | silber |
| Beleuchtungsstärke Bereich | 542-1445 lx |
| Leuchten- oder Lupentyp | Gestängeleuchte |
| Leuchtlichtstrom | 700 lm |
| Schutzart | IP 20 |
| Anschlusswerte | 100-240 V; 50/60 Hz |
| Dimmbar | nein |
| Farbtemperatur | 4000 °K |
| Leistung | 12 W |
| Bestückung | LED |
| Befestigung | Tischfuß |
| ESD gerecht | nein |
| GPSR Herstellerdaten | WALDMANN Lichttechnik Peter-Henlein-Straße 5 DE-78056 Villingen-Schwenningen www.waldmann.com |
519,41 €
Verfügbar
Artikel-Nr.WL73521