Zum Hauptinhalt springen Zur Suche springen Zur Hauptnavigation springen

COMPOSIT Lötspitze Format 5C

• für HAKKO Lötkolben FM 2030 und HAKKO N2-Lötkolben FM 2031 (Düse D - B 3124)
Artikel-Nr.WL75052
HerstellerHAKKO
Hersteller-Artikel-Nr.T22-C5
Länge220 mm
Breite45 mm
Höhe10 mm
Verkaufseinheit1 Stück
Inhaltseinheit1 Stück
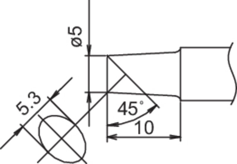
SpitzenserieT22
Spitzenformmeißelförmig
Spitzenausrichtungabgeschrägt
Passendes HandstückFM-2031
ESD gerechtnein
GPSR HerstellerdatenTBK - Technisches Büro Kullik GmbH
Industriestrasse 27
DE-56276  Großmaischeid
www.kullik.com/

51,63 €

Produkt Anzahl: Gib den gewünschten Wert ein oder benutze die Schaltflächen um die Anzahl zu erhöhen oder zu reduzieren.
Verfügbar
Artikel-Nr.WL75052