Zum Hauptinhalt springen Zur Suche springen Zur Hauptnavigation springen

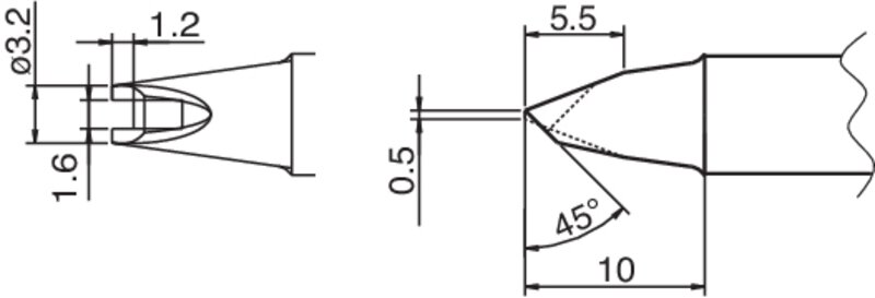
COMPOSIT Lötspitze Format concave

• für HAKKO Lötkolben FX 8301-01 und HAKKO N2-Lötkolben FX 8302-01 (Düse E - B 3124)
Artikel-Nr.WL75054
HerstellerHAKKO
Hersteller-Artikel-Nr.T20-1611
Länge65 mm
Breite170 mm
Höhe15 mm
Verkaufseinheit1 Stück
Inhaltseinheit1 Stück
Inkl. Batterienein
SpitzenserieT20
SpitzenformSonderform
Spitzenausrichtunggerade
Passendes HandstückFX-838
ESD gerechtnein
GPSR HerstellerdatenTBK - Technisches Büro Kullik GmbH
Industriestrasse 27
DE-56276  Großmaischeid
www.kullik.com/

54,99 €

Produkt Anzahl: Gib den gewünschten Wert ein oder benutze die Schaltflächen um die Anzahl zu erhöhen oder zu reduzieren.
In Zulauf
Artikel-Nr.WL75054